















The N 50 B3ACE4AN3B is a 60 x 60 cm built-in stainless steel oven with a 71 litre cavity, designed for flexible everyday cooking. It features the fully retracting Slide&Hide® door for unrestricted access, CircoTherm® hot air for baking on multiple levels, and EcoClean with EasyClean to help make cleaning simpler. With an A+ energy efficiency rating, LCD display, multiple heating methods and safety features such as a CoolTouch triple glazed door, it suits modern integrated kitchens.
The appliance is designed for built-in installation with a niche dimension of 585–595 mm (H) x 560–568 mm (W) x 550 mm (D). It requires electrical connection by an electrician and is supplied without a plug.
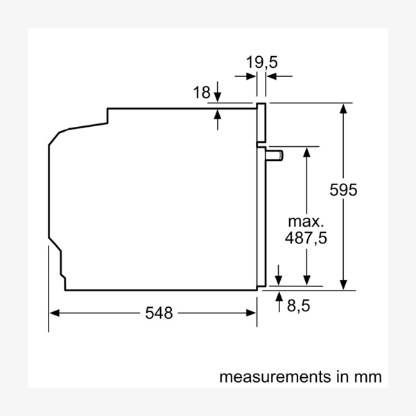
The dimensional drawings specify measurements in mm and note that for details on installation and ventilation requirements, the installation manual should be referred to prior to fitting. When installed underneath a hob, minimum worktop thicknesses and distances are provided in the dimensional drawings.
The oven has a cavity volume of 71 litres and a usable volume of 71 l.
It provides 7 heating methods: CircoTherm®, Top/bottom heat, Circo-roasting, Full surface grill, CircoTherm® intensive, Bottom heat and CircoTherm® gentle. Additional cooking methods stated include Full width grill, Hotair gentle, Hot Air, Conventional heat, Pizza setting, Bottom heat and Hot air grilling.
The Slide&Hide® door is fully retracting, giving unrestricted access to the oven cavity and supporting joyful interaction when placing or removing dishes.
It features an EcoClean programme with Hydrolytic cleaning, EcoClean Direct on the back panel, EasyClean and a full glass inner door to make oven cleaning easier.
The oven comes with 2 x combination grid and 1 x universal pan. Level independent telescopic rails are available as an accessory, along with a wide range of baking trays, pans and other items.
The oven has an A+ energy efficiency rating, an energy efficiency index of 81.2 %, a total connected load of 2.99 kW, and operates at 220–240 V, 50; 60 Hz with 13 A fuse protection.
Speak to our team for expert advice and personal service, whether you are planning a project or selecting appliances.